Electronique
Choisissez une catégorie
Alimentation
- Alimentation
Câble / Gaine thermo /Adhésif
- Câble / Gaine Thermo / Adhésif
Composant actif
- Circuit intégré
- Circuit intégré CMS
- Diode
- Diode CMS
- Optocoupleur et led CMS
- Quartz / Oscillateur / Résonateur
- Régulateur de tension
- Transistor
- Transistor CMS
- Triac et thyristor
Composant électronique
- Aérosol / Colle
- Circuit Imprimé
- Coffret
- Colonnette / Dissipateur / Mécanique
- Connectique
- Cordon audio / Vidéo / Téléphonique / Secteur
- Fusible et porte-fusible
- Haut-parleur
- Interrupteur / Inverseur / Relais
- Lampe / Voyant / Buzzer / Sirène
- Transformateur
- Ventilateur
Composant passif
- Condensateur
- Condensateur CMS
- Optoélectronique
- Potentiomètre et bouton
- Résistance
- Résistance CMS
- Self / Inductance / Ferrite
Loisir
- Antenne / Courroie / Diamant / Lampe
- Modélisme
Outillage électronique
- Appareil de mesure / Cordon / Accessoire
- Instrument de soudage / Accessoire
- Outillage
Pile et Chargeur
- Pile / Accumulateur / Batterie au plomb / Chargeur
Informatique
Choisissez une catégorie
Informatique
- Boîtier et Alimentation
- Carte Contrôleur
- Carte Graphique
- Carte Mère
- Carte TV
- Clavier / Souris / Manette
- Consommable
- Disque Dur
- Ecran / Moniteur
- Enceinte Informatique / Casque / Micro / Webcam
- Hub / Switch / Réseau
- Imprimante et Scanner
- Lecteur et Graveur
- Logiciel Bureautique
- Logiciel Utilitaire
- Mémoire Ordinateur
- Ordinateur Portable
- Processeur
- Système D'exploitation
Péri-informatique
- Connectique Externe
- Connectique Informatique
- Sécurité / Protection
- Ventilateur / Ventirad / Accessoire de Refroidissement
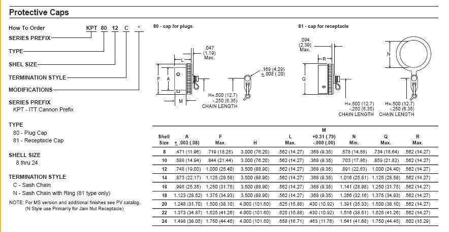
KPT8122 N BOUCHON CONNECTEUR ROND FEMELLE
Les produits
>
>
>
>
KPT8122 N BOUCHON CONNECTEUR ROND FEMELLE
Nom du produit :
KPT8122 N BOUCHON CONNECTEUR ROND FEMELLE
Référence du produit :
40666200
Prix unitaire :
Quantité
Vendu par
1
5
10
20
50
100
Prix (TTC)
1
31.04
-
-
-
-
-
Conditionnement :
1
Quantité actuellement disponible :
0
(
Vous souhaitez une quantité supérieure?
)
Votre compte client
Suivi de commande
Accès pro
Recherche
Recevoir la newsletter
Votre email :
Espace membre
Email :
Mot de passe :
Mot de passe oublié
Un problème de connexion?
Créer votre compte
Votre panier
Votre panier est vide
Commande express
Référence
Quantités
Plus de lignes?